
办理流程
(铁路职工到铁路局社保处受理)
1.所需材料:
单位医保经办联络员将以下申报材料汇总,填写《江西省本级医疗保险零星报销待遇审核汇总表》,提交受理窗口:
①参保人本人填写并签字确认的《江西省医疗保险医药费用零星报销申请表》;
②门(急)诊、门诊特殊慢性病费用报销需提供门诊发票原件、门诊费用明细清单原件;
住院费用报销需提供住院发票原件、住院费用明细清单原件、出院记录或诊断证明书原件;
住院前急诊费用报销需提供门诊发票原件、门诊费用明细清单原件、医院出具的急诊(抢救)记录及本次住院的出(或入)院记录原件、住院发票原件、住院费用明细清单原件;
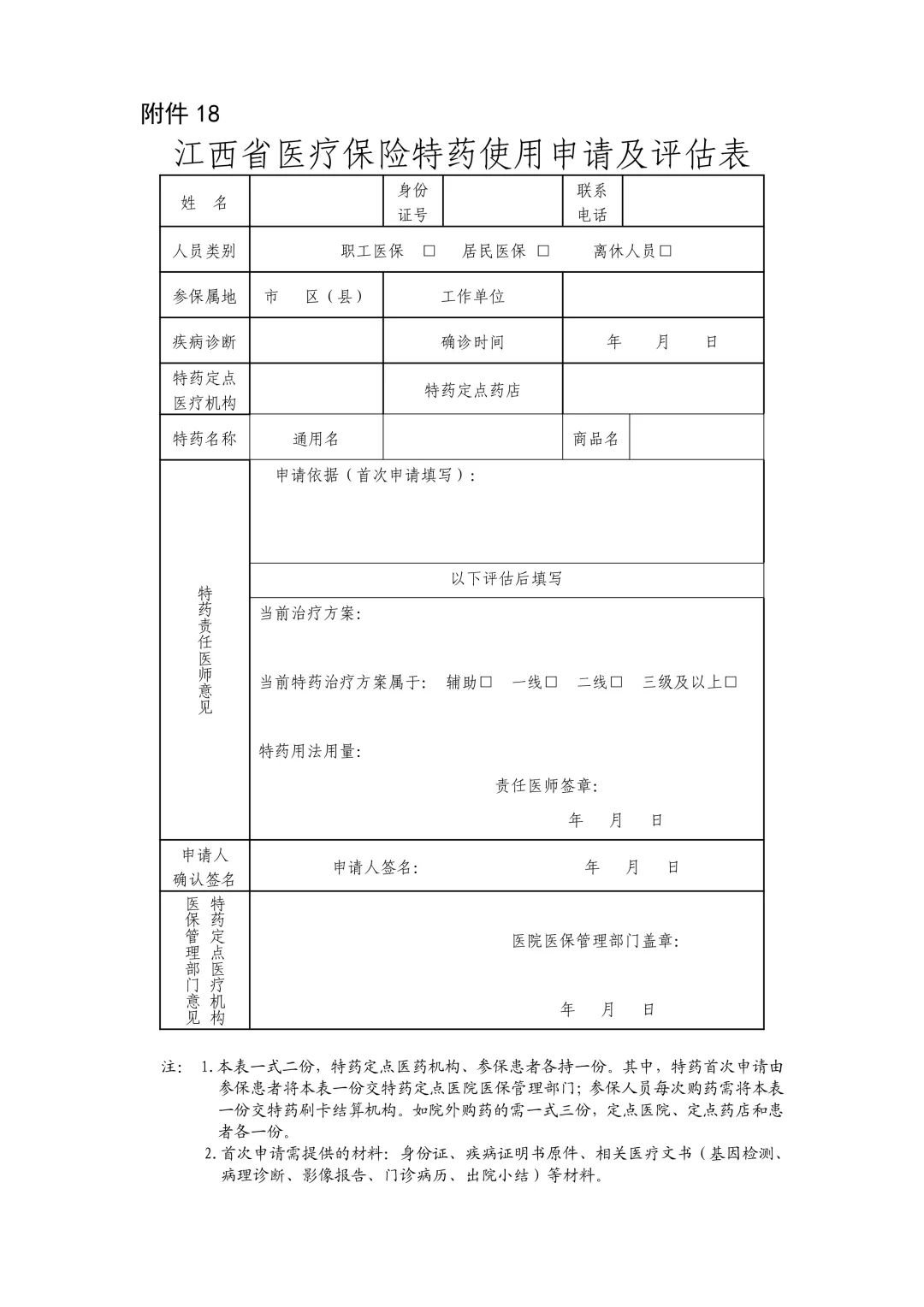
特药费用报销需提供《江西省医疗保险特药使用申请及评估表》、发票原件、费用明细清单原件;
(以上医院出具的材料均需医院盖章)
③个人银行卡号(注明开户支行)。
2.业务受理:窗口工作人员受理提交的报销材料,材料齐全的将医疗信息录入信息系统,打印《江西省医疗保险医疗费用零星报销受理单》,经单位医保经办联络员或参保人签字确认后,领取回执一份;若材料不全发给补充材料告知书,一次性告知补充所需材料,不符合申报条件的现场回复。
3.材料初审:待遇审核科初审人员对报销材料进行初审,打印《江西省本级医疗保险医疗费用报销拨款单》。
4.业务复核:待遇审核科复核人员对报销材料进行复核,审核通过后生成支付计划交基金财务科支付。
5.办理时限:30个工作日内完成待遇支付。
表格附件:





