
雅马哈NS-SW050是一款重低音音响,其独特的音质和强大的功率吸引了很多用户们的眼球。而很多新用户刚入手后却不太明白怎么安装连接,接下来小编就给大家带来相关设置教程。
雅马哈NS-SW050怎么安装连接
注意
• 在进行连接之前,请先拔掉超低音扬声器及其他音频 / 视频装置的电源插头,在完成所有连接之后再插上电源插头。
• 其它装置 (比如放大器或接收机)的连接方式和端子名称可能与本手册中的有所差异。请参阅所用装置的用户手册。
• 连接后应确保已牢固连接线缆。
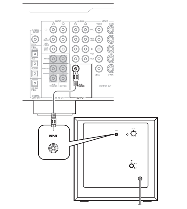
连接至例如低音炮输出端子或功放的线性输出 (针脚插孔)端子
使用市售的音频针脚线缆连接至功放 (或 AV 接收机)的低音炮输出端子。
如果功放 (或 AV 接收机)没有低频炮输出端子,则连接至线性输出 (例如 PRE OUT)端子。
放大器 (各种放大器的后面板外观可能会有所差异。)
将超低音扬声器连接到交流电插座
所有连接完成后,将超低音扬声器和其他音频 / 视频装置的插头插入交流电插座。
以上是小编带来的雅马哈NS-SW050安装连接的图文教程,更多精彩资讯请关注(www.znj.com)!





