
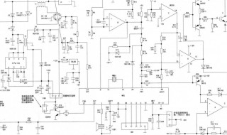
1、IGBT管在导通时,其C极电压越低,IGBT管内部的损耗越小,反之则损耗越大。当IGBT管内部损耗超过规定值时,IGBT管会因为内部发热严重而烧坏。
2、在电磁炉理想的工作状态下,IGBT管C极电压为0时开通IGBT,其内部损耗为0(W=UI),但实际在电磁炉工作时,C极电压不可能为0,所以只能取IGBT管C极最低电压时开通IGBT管,使IGBT管的开关损耗最小。所以同步信号就是IGBT管C极电压最低时的检测信号,也就是最佳的IGBT管导通时机。
教育百科2022-03-31 16:33:37佚名

1、IGBT管在导通时,其C极电压越低,IGBT管内部的损耗越小,反之则损耗越大。当IGBT管内部损耗超过规定值时,IGBT管会因为内部发热严重而烧坏。
2、在电磁炉理想的工作状态下,IGBT管C极电压为0时开通IGBT,其内部损耗为0(W=UI),但实际在电磁炉工作时,C极电压不可能为0,所以只能取IGBT管C极最低电压时开通IGBT管,使IGBT管的开关损耗最小。所以同步信号就是IGBT管C极电压最低时的检测信号,也就是最佳的IGBT管导通时机。
唱歌练声方法 教你学唱歌练声一些基本方法
什么叫二难推理 什么是二难推理